Стабилизатор тока для светодиодов на LM317

Для стабильной работы драйвера светодиода на LM317, входное напряжение должно превышать напряжение питания светодиода на 2-4 вольта. Диапазон ограничения выходного тока составляет 0,01А…1,5А и с выходным напряжением до 35 вольт.
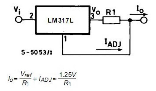
Стабилизатор тока для светодиода (LED) на микросхеме LM317
Формула для расчета сопротивления резистора R:
R=1,25/Iпотр.
Необходимая сила тока: мА
Сопротивление резистора Ом
Мощность Вт
Объявление: Поддержите наш сайт!

LM317 широко применяется в различных электронных схемах. LM317 - это интегральная микросхема, предназначенная для обеспечения стабильного и регулируемого выходного напряжения.
Онлайн калькулятор, специально разработанный для LM317, который позволяет удобно и быстро расчитывать значения резисторов и конденсаторов для настройки выходного напряжения и тока в соответствии с требуемыми параметрами. Это позволяет электронщикам и инженерам эффективно использовать LM317 в своих проектах без необходимости ручного расчета.
Для более подробной информации и спецификаций статья также предоставляет ссылку на datasheet LM317. Datasheet содержит подробное описание электрических характеристик, графики, примеры применения и другую полезную информацию о микросхеме.
Статья о LM317 регулируемом стабилизаторе напряжения и тока представляет собой полезный ресурс для электронщиков, инженеров и всех, кто работает с электроникой. Она обеспечивает основные знания о микросхеме, ее возможностях и применении, а также предлагает онлайн

Комментарии


Добавить коммментарий

Похожие записи:

LM317 калькулятор
Калькулятор маркировки SMD резисторов
Расчет схемы на операционном усилителе